veneaegse paberilõikaja automatiseerimine
Klient: Kuma AS
HETKEL KÄIMASELEKTRISKEEM (KICAD)MEHAANILINE PROTOTÜÜPIMINEHANKIMINE3D PRINTIMINE
12/31/2025
Paides paiknev Kuma AS pöördus minu poole probleemiga, kus üks vana ja suhteliselt mehaaniline masin nõuab neilt tüütult palju tähelepanu. Ja kui õigel ajal ei reageeri, siis on jama. Gennega koos töötasime lahenduse kallal.
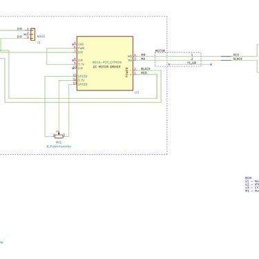
Olukord oli selline, et masin lõikab kahest rullist tulevat paberit lehtedesse. Lehed lõpetavad sellise raami peal, mida masin ise sõidutab üles-alla. Kui paberit järjest juurde tuleb, siis raam sõidab järjest allapoole. Raami liikumise kiirust saab käsitsi muuta pildil näha oleva kangiga. Kahjuks on vajalik kiirus täpselt kahe kangi asendi vahel ja kangi sinna vahele jätta ei saa. Nii tuli kiirust käsitsi muuta iga kord kui pakk läks kas liiga kõrgeks või jäi liiga madalaks.
Esialgu jõudsime lahenduseni kus mahtuvusliku anduriga detekteeritakse paberipaki kõrgust ning vastavalt anduri väljundile liigutatakse lineaaraktuaator kas ühte või teise lõpuasendisse. Aktuaatori lõpuasendid on kiiruse kangi asendid, mis on vajalikust kiirusest vastavalt kiirem ja aeglasem. Nii tekib olukord, kus automaatika pendeldab ise kahe ajutiselt sobiva kiiruse vahel nii, et paki kõrgus püsib sobilikes piirides.
See projekt on veel käimas ehk saab näha kas selline lahendus on piisav või vajab veel täiendust.



