volvo S80 distantskäivitus
MEHAANILINE PROTOTÜÜPIMINEHANKIMINETARKVARAARENDUSARDUINOELEKTRISKEEM (KICAD)
12/31/2018
Kunagi ammu oli mul selline Volvo, vaatan nendele ikka veel tänaval pikalt järele (või järgi?) ...
Aga siis tahtsin talle panna distantskäivituse, et talvel oleks mõnusam juba sooja autosse istuda. Ja kuna selle süda oli 8-silindriline, siis palju ägedam oli autot käivitada kui seisad auto taga, mitte ei istu kinnise ukse taga roolis. :D
Lähim ostutoode, mida ei olnud üldse lihtne leida, maksis ~2500€ niiet hakkasin pusima. Mida on vaja, et auto läheks käima? Oli vaja:
1. võti oleks kusagil autos sees
2. piduri pedaal oleks alla vajutatud
3. peab vajutama start nuppu
(4. uksed võisid olla lukus)
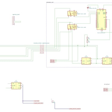
Kompromissi tegin selles osas, et võti jäi tõesti autosse, aga lülitasin sellel toidet ka sisse-välja niiet selle väikse riski võtsin. Aga siis hankisin lisaks ühe piduripedaali sensori ja süüteluku mooduli ning asusuin jootma ja koodi kirjutama. Kontroller sai lahendet Arduino MKRGSM baasil ja pidurisensori ning start nupu vajutusi simuleerisid releed. Toite võtsin keskkonsooli kohal oleva navi ekraani pesast ja kogu kontroller sai kompaktsesse karpi kindalaekas. Kui vaja, sai kontrolleri karbi ühe pistikuga eemaldada ja auto jäi toimima nagu enne, ilma distantskäivituseta. Loogika oli selline, et Arduinol oli SIM-kaart sees ja kui sellele helistas õige number, siis kontroller tegi vajalikud sammud, et auto käivitukski. See oli hullult äge ghetto-häkk häkkimine, mis toimis igapäevaselt aastaid.
Täpselt sellist tüüpi projektid on mu lemmikud - kui tooksid veel leiva lauale ja vorsti ka peale. :)

